미니100드릴머신의 베이스 도면 > 제품도면

본문 바로가기
제품도면

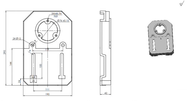
미니100드릴머신의 베이스 도면

페이지 정보

작성자 최고관리자 작성일20-06-12 10:49 조회1,467회

본문

안녕하십니까?

미니100의 베이스 도면을 올려 드립니다. 



업체명 : (주)용수공업 | 대표자 : 신용운 | 사업자번호 : 503-81-95873 | Tel : 053-581-0040 | Fax : 053-582-2010
주소 : 경북 고령군 성산면 성산로 390 | E-mail : 5810041@hanmail.net
Copyright © (주)용수공업. All rights reserved.